產品中心

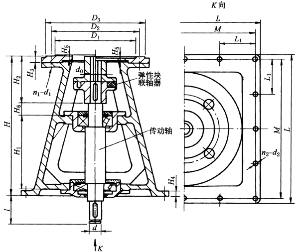
FZ系列雙支點方底板機架

FZ25A、FZ30B型雙支點方底板機架主要尺寸
型號 | 通用尺寸 | 輸入端接口 | 輸出端接口 | Ⅰ型 | Ⅱ型 |
H2 | H3 | H4 | H5 | H6 | l | D1 | D2 | D3 | d0 | n1- d1 | L | L1 | M | d | n2- d2 | H | H1 | 重量/kg | H | H1 | 重量/kg |
FZ25A | 130 | 20 | 25 | 4 | 80 | 100 | 130 | 160 | 180 | 25 | 6-M8 | 400 | 170 | 340 | 30 | 8-φ14 | 630 | 380 | 167 | 800 | 550 | 198 |
FZ30A FZ30B | 5 4 | 140 200 | 160 230 | 190 260 | 30 | 4-M10 6-M12 | 35 |
FZ35A | 180 | 5 | 30 | 170 | 200 | 230 | 35 | 6-M10 | 40 |
FZ40B | 4 | 230 | 260 | 290 | 40 | 6-M12 | 45 |
FZ45A | 220 | 20 | 30 | 5 | 45 | 130 | 200 | 230 | 260 | 45 | 6-M10 | 585 | 175 | 525 | 50 | 12-φ18 | 750 | 440 | 383 | 950 | 640 | 460 |
FZ50B | 5 | 270 | 305 | 340 | 50 | 8-M16 | 55 |
FZ55A FZ55B | 6 5 | 270 | 310 305 | 340 | 55 | 6-M10 8-M16 | 60 |
FZ65A | 280 | 25 | 30 | 6 | 50 | 200 | 316 | 360 | 400 | 65 | 8-M12 | 800 | 240 | 720 | 70 | 12-φ22 | 900 | 520 | 547 | 1100 | 720 | 656 |
FZ80A FZ80B | 6 5 | 316 320 | 360 | 400 | 70 | 8-M12 8-M16 | 75 |
FZ80A FZ80B | 340 | 30 | 40 | 6 5 | 95 | 250 | 345 360 | 390 410 | 430 460 | 80 | 8-M16 8-M20 | 1060 | 250 | 1000 | 85 | 16-φ22 | 1060 | 600 | 980 | 1360 | 900 | 1100 |
FZ90A | 400 | 7 | 35 | 400 | 450 | 490 | 90 | 12-M16 | 95 |
FZ95A | 9 | 455 | 520 | 580 | 95 | 12-M20 | 100 |
FZ100A FZ100B | 9 5 | 455 470 | 520 | 580 | 100 | 110 |
FZ110A | 450 | 40 | 45 | 11 | 45 | 300 | 520 | 590 | 650 | 110 | 12-M20 | 1260 | 300 | 1200 | 120 | 16-φ22 | 1200 | 668 | 1600 | 1600 | 1068 | 1996 |
FZ130A FZ130B | 11 9 | 680 | 800 | 880 | 130 | 12-M30 | 140 |
FZ140 | 11 9 | 680 | 800 | 880 | 140 | 12-M30 | 150 |
FZ150 | 520 | 45 | 50 | 14 10 | 50 | 340 | 根據所選減速器而定 | 1470 | 350 | 1400 | 160 | 20-φ27 | 1400 | 780 | 2200 | 1800 | 980 | 1495 |
FZ160 | 14 10 | 180 |
FZ180 | 580 | 50 | 55 | 14 10 | 60 | 370 | 1670 | 400 | 1600 | 200 | 20-φ33 | 1600 | 900 | 2800 | 2000 | 1100 | 172 |
